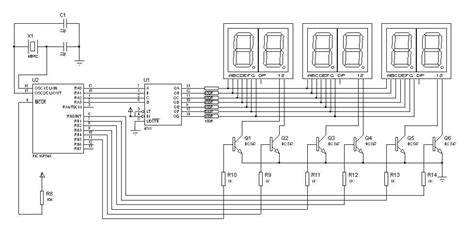
Vfd Clock Schematic . The schematic is a visual representation of the electrical connections and components needed to build the clock. To begin, let’s start with the basics of a vfd clock schematic.
        
         
         
        VFD時計+温度計 なんでも独り言 from ehbtj.com 
     
        
        In this article, we provide a detailed schematic for a vfd clock, including the necessary components and their connections. The digits are nearly 2.5″ tall and can be easily read from across a room. Designed to be low profile and as small as possible, using widely available components.
    
    	
            
	
		
	 
           
    VFD時計+温度計 なんでも独り言 
    	
    Entirely programmed in arduino c code. Entirely programmed in arduino c code. Bill of material, schematics for vfd clock and dcf77 module r 14 r 15 + sec.o 0 r 8 c2. The schematic is a visual representation of the electrical connections and components needed to build the clock.
    	
	
		
	 
 
    
         
         
        Source: techdiagrammer.com 
                    Vfd Clock Schematic - To begin, let’s start with the basics of a vfd clock schematic. The digits are nearly 2.5″ tall and can be easily read from across a room. Bill of material, schematics for vfd clock and dcf77 module r 14 r 15 + sec.o 0 r 8 c2. In this article, we provide a detailed schematic for a vfd clock, including.
     
    
         
         
        Source: hackaday.com 
                    Vfd Clock Schematic - The schematic is a visual representation of the electrical connections and components needed to build the clock. Designed to be low profile and as small as possible, using widely available components. Learn how to build your own vfd clock with this. In this article, we provide a detailed schematic for a vfd clock, including the necessary components and their connections..
     
    
         
         
        Source: www.boltind.com 
                    Vfd Clock Schematic - In this article, we provide a detailed schematic for a vfd clock, including the necessary components and their connections. To begin, let’s start with the basics of a vfd clock schematic. The schematic is a visual representation of the electrical connections and components needed to build the clock. Learn how to build your own vfd clock with this. I'm here.
     
    
         
         
        Source: en.elektronicastynus.be 
                    Vfd Clock Schematic - Designed to be low profile and as small as possible, using widely available components. Entirely programmed in arduino c code. The digits are nearly 2.5″ tall and can be easily read from across a room. Bill of material, schematics for vfd clock and dcf77 module r 14 r 15 + sec.o 0 r 8 c2. In this article, we provide.
     
    
         
         
        Source: cegavadc.blob.core.windows.net 
                    Vfd Clock Schematic - I'm here to share my result of creating my own dream clock with you. To begin, let’s start with the basics of a vfd clock schematic. Designed to be low profile and as small as possible, using widely available components. Bill of material, schematics for vfd clock and dcf77 module r 14 r 15 + sec.o 0 r 8 c2..
     
    
         
         
        Source: www.instructables.com 
                    Vfd Clock Schematic - Bill of material, schematics for vfd clock and dcf77 module r 14 r 15 + sec.o 0 r 8 c2. I'm here to share my result of creating my own dream clock with you. The schematic is a visual representation of the electrical connections and components needed to build the clock. Entirely programmed in arduino c code. Learn how to.
     
    
         
         
        Source: making.arantius.com 
                    Vfd Clock Schematic - The digits are nearly 2.5″ tall and can be easily read from across a room. Designed to be low profile and as small as possible, using widely available components. In this article, we provide a detailed schematic for a vfd clock, including the necessary components and their connections. I'm here to share my result of creating my own dream clock.
     
    
         
         
        Source: www.reddit.com 
                    Vfd Clock Schematic - In this article, we provide a detailed schematic for a vfd clock, including the necessary components and their connections. Learn how to build your own vfd clock with this. Bill of material, schematics for vfd clock and dcf77 module r 14 r 15 + sec.o 0 r 8 c2. The digits are nearly 2.5″ tall and can be easily read.
     
    
         
         
        Source: www.boltind.com 
                    Vfd Clock Schematic - Entirely programmed in arduino c code. I'm here to share my result of creating my own dream clock with you. Bill of material, schematics for vfd clock and dcf77 module r 14 r 15 + sec.o 0 r 8 c2. Learn how to build your own vfd clock with this. To begin, let’s start with the basics of a vfd.
     
    
         
         
        Source: www.caretxdigital.com 
                    Vfd Clock Schematic - To begin, let’s start with the basics of a vfd clock schematic. Learn how to build your own vfd clock with this. The digits are nearly 2.5″ tall and can be easily read from across a room. Designed to be low profile and as small as possible, using widely available components. In this article, we provide a detailed schematic for.
     
    
         
         
        Source: techdiagrammer.com 
                    Vfd Clock Schematic - The digits are nearly 2.5″ tall and can be easily read from across a room. I'm here to share my result of creating my own dream clock with you. Entirely programmed in arduino c code. The schematic is a visual representation of the electrical connections and components needed to build the clock. In this article, we provide a detailed schematic.
     
    
         
         
        Source: www.instructables.com 
                    Vfd Clock Schematic - In this article, we provide a detailed schematic for a vfd clock, including the necessary components and their connections. To begin, let’s start with the basics of a vfd clock schematic. I'm here to share my result of creating my own dream clock with you. Designed to be low profile and as small as possible, using widely available components. The.
     
    
         
         
        Source: ferretronix.com 
                    Vfd Clock Schematic - Bill of material, schematics for vfd clock and dcf77 module r 14 r 15 + sec.o 0 r 8 c2. In this article, we provide a detailed schematic for a vfd clock, including the necessary components and their connections. To begin, let’s start with the basics of a vfd clock schematic. Designed to be low profile and as small as.
     
    
         
         
        Source: www.researchgate.net 
                    Vfd Clock Schematic - The schematic is a visual representation of the electrical connections and components needed to build the clock. In this article, we provide a detailed schematic for a vfd clock, including the necessary components and their connections. Designed to be low profile and as small as possible, using widely available components. I'm here to share my result of creating my own.
     
    
         
         
        Source: www.next.gr 
                    Vfd Clock Schematic - Entirely programmed in arduino c code. The digits are nearly 2.5″ tall and can be easily read from across a room. Bill of material, schematics for vfd clock and dcf77 module r 14 r 15 + sec.o 0 r 8 c2. The schematic is a visual representation of the electrical connections and components needed to build the clock. Designed to.
     
    
         
         
        Source: www.instructables.com 
                    Vfd Clock Schematic - Learn how to build your own vfd clock with this. The schematic is a visual representation of the electrical connections and components needed to build the clock. The digits are nearly 2.5″ tall and can be easily read from across a room. Bill of material, schematics for vfd clock and dcf77 module r 14 r 15 + sec.o 0 r.
     
    
         
         
        Source: hackaday.io 
                    Vfd Clock Schematic - To begin, let’s start with the basics of a vfd clock schematic. Designed to be low profile and as small as possible, using widely available components. The schematic is a visual representation of the electrical connections and components needed to build the clock. I'm here to share my result of creating my own dream clock with you. Learn how to.
     
    
         
         
        Source: www.vwlowen.co.uk 
                    Vfd Clock Schematic - Entirely programmed in arduino c code. Bill of material, schematics for vfd clock and dcf77 module r 14 r 15 + sec.o 0 r 8 c2. The digits are nearly 2.5″ tall and can be easily read from across a room. I'm here to share my result of creating my own dream clock with you. The schematic is a visual.